hotline
0519-85112622在快速无功补偿和谐波滤波装置中,要用晶闸管投切电容器TSC,。执行元件晶闸管根据应用场合的不同,有饼式的、模块的和双向可控硅的不同结构型式。针对不同的主回路和不同的晶闸管型式,触发电路也不同。TSC要求在晶闸管电压过零点触发,确定晶闸管电压过零点的方法有两种,一种是从电网电压取得同步信号,另一种是从晶闸管的阳极和阴极取得过零信号。
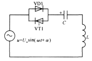
晶闸管投切电容器的原理
晶闸管投切电容器组的关键技术是必须做到投切时无电流冲击。晶闸管投切电容器组的原理如图1所示。

图1 晶闸管投切电容器组的原理
可控硅晶闸管模块

产品优势特点
1. 电压过零触发,电流过零断开,无冲击电流;
2. 光电隔离,抗干扰能力强,响应时间<15ms;
3. 德国经典触发及保护电路,全正弦波切换,运行安全无谐波;
4. 特有专利散热片,无轴流风机,主动散热,运行无噪声,组件免维护,使用寿命长;
5. 内置过温(85℃)保护;
6. 三色LED信号灯分别显示茄子视频ios下载版通电状态、运行状态、故障状态;
7. 兼容性强,可与全球各种规格无功补偿控制器配套;
8. 导通压降低,茄子视频ios下载版损耗小,降低用户能耗。
产品技术参数
额定电压 230 ~ 690V
额定频率 50 / 60Hz
额定电流 106A
控制电流 ≤ 20mA
绝缘电阻 ≥ 50MΩ
介电强度 ≥ 2500V
温升 ≤ 40K
过载能力 ≤ 1.3In
噪声 ≤ 48db
峰值涌流 ≤ 1.3In ( 规定值1.7In)
防护等级 IP31
响应速度 <18ms
安装位置 室内
安装海拔 ≤ 4000m
控制电压 DC12V±5V
工作环境 温度: -25℃~ 55℃
湿度: 20% ~ 90%
无剧烈震动和冲击
无导电尘埃和腐蚀性气体
过热保护 85℃自动切除电容器组
使用寿命 > 40万次