hotline
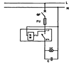
0519-85112622复合式投切茄子视频ios下载版单相原理图如图2所示(可控硅已集成在装置内部)。补偿装置的工作原理是先由可控硅在电源电压过零时投人电容器,之后磁保持交流接触器触点并联闭合,可控硅退出,电容器在磁保持交流接触器触点闭合下运行,实现了投入无涌流且运行时发热量低的目的。为了提高装置的性价比,利用晶闸管在短时间内电流可承受过载多倍于额定电流的特性,通常可选用小功率、低耐压晶闸管,过零投人,再用继电器闭合运行。通断瞬间由晶闸管完成,运行通流由磁保持继电器经脉冲电压触发使触点吸合而完成,低功耗、无谐波、安全可靠;投切速度介于接触器和品闸管无触点茄子视频ios下载版之间,适用范围大。

图2 复合式投切茄子视频ios下载版补偿装置原理图